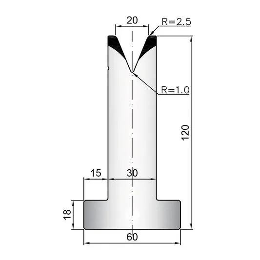
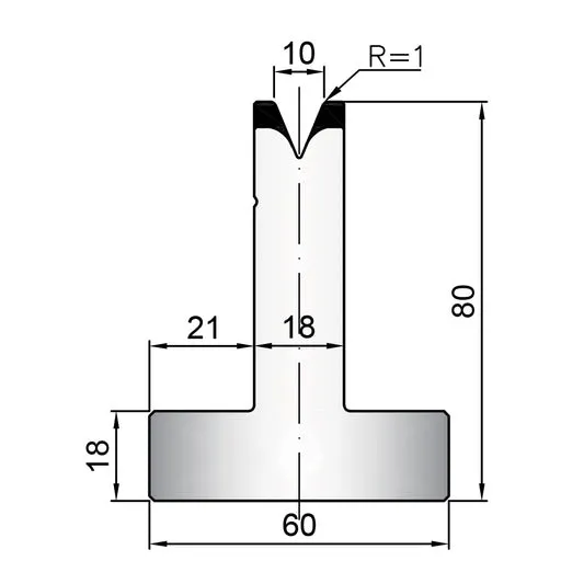
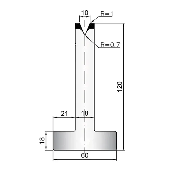
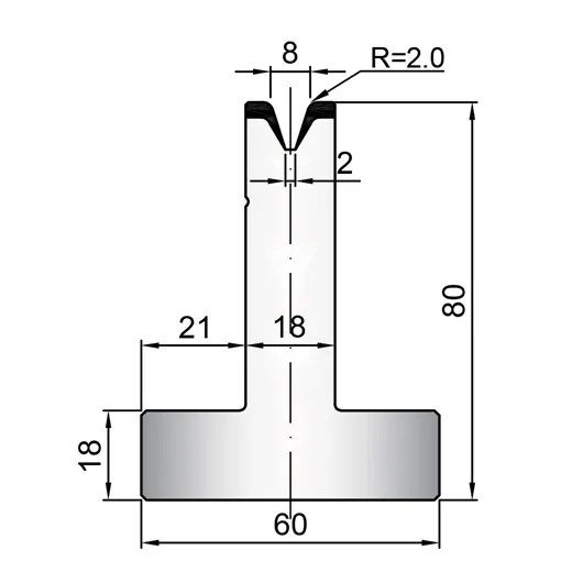
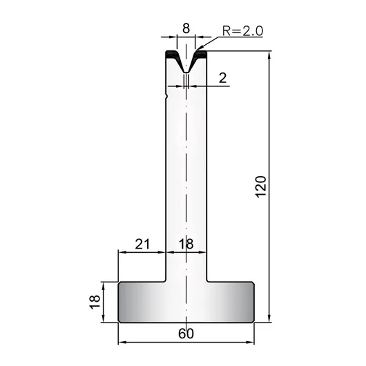
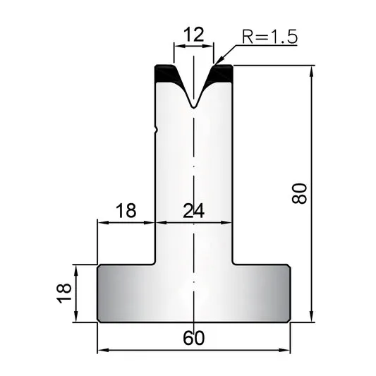
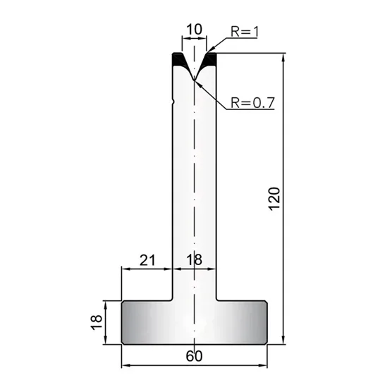
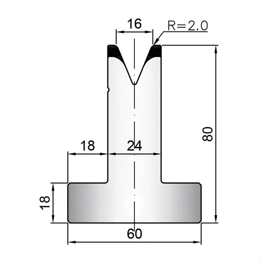
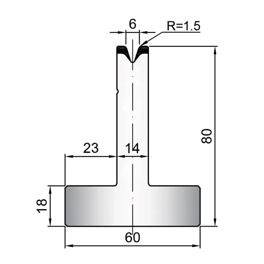
Producct List Amada System Amada Punch Amada Die Trumpf System Trumpf Punch Trumpf Die Wila System Wila Punch Wila Die Bystronic System Bystronic Punch Bystronic Die LVD System LVD Punch LVD Die Hemming Tool Hemming Tool Offset Tool Offset Tool Radius Tool Radius Tool Rollar V Rollar V AMADA SYSTEM DIE 45° V20 H80 12.456 AMADA SYSTEM DIE 45° V20 H120 12.463 AMADA SYSTEM DIE 45° V16 H80 12.455 AMADA SYSTEM DIE 45° V16 H120 12.462 AMADA SYSTEM DIE 45° V12 H80 12.454 AMADA SYSTEM DIE 45° V12 H120 12.461 AMADA SYSTEM DIE 45° V10 H80 12.453 AMADA SYSTEM DIE 45° V10 H120 12.460 AMADA SYSTEM DIE 45° V10 H120 12.460 AMADA SYSTEM DIE 35° V8 H80 12.352 AMADA SYSTEM DIE 35° V8 H120 12.359 AMADA SYSTEM DIE 35° V6 H80 12.351 Page1 Page2 Page3 Page4 Page5 Page6 Page7 Page8 Page9 Page10 Page11 Page12 Page13 Page14 Page15 Page16