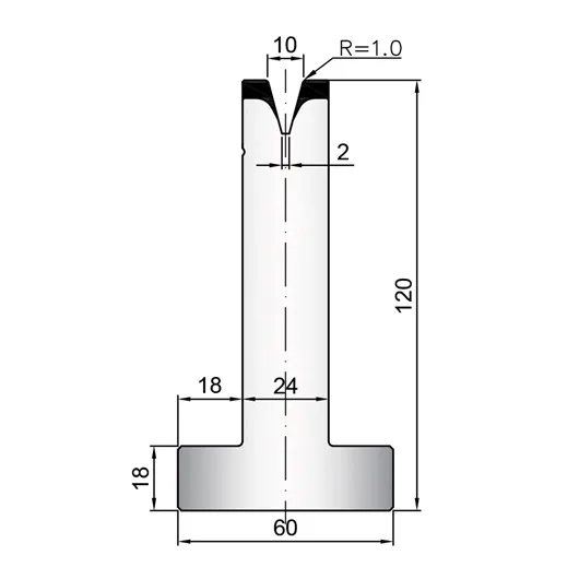
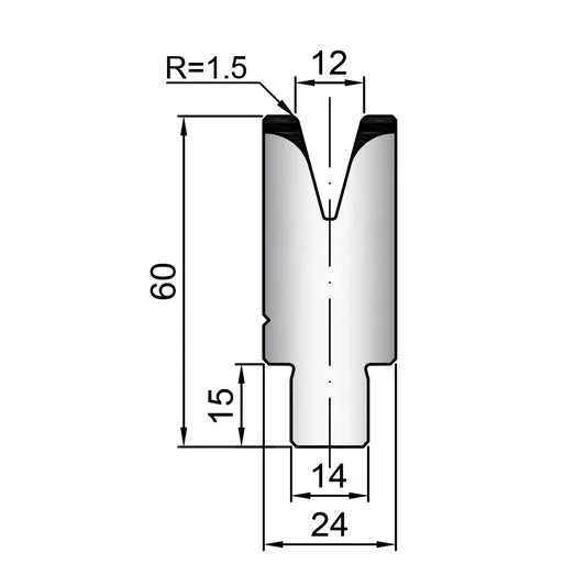
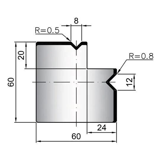
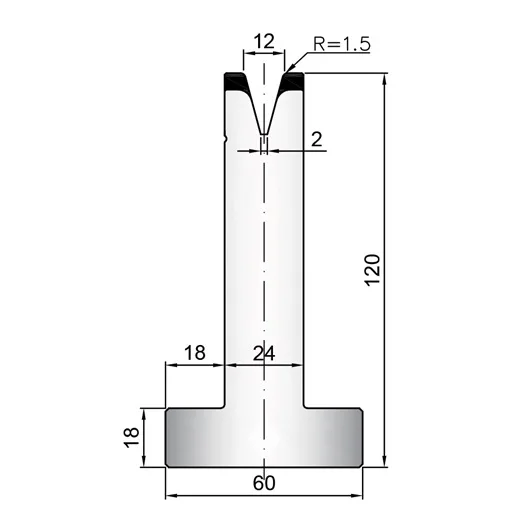
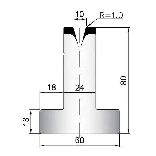
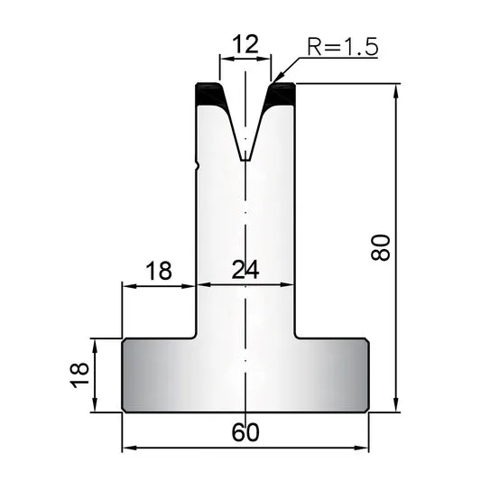
Producct List Amada System Amada Punch Amada Die Trumpf System Trumpf Punch Trumpf Die Wila System Wila Punch Wila Die Bystronic System Bystronic Punch Bystronic Die LVD System LVD Punch LVD Die Hemming Tool Hemming Tool Offset Tool Offset Tool Radius Tool Radius Tool Rollar V Rollar V AMADA SYSTEM DIE 30° V12 H80 12.018 AMADA SYSTEM DIE 30° V12 H60 12.046 AMADA SYSTEM DIE 30° V12 H120 12.039 AMADA SYSTEM DIE 30° V10 H80 12.017 AMADA SYSTEM DIE 30° V10 H60 12.045 AMADA SYSTEM DIE 30° V10 H120 12.038 Amada System 4V die 12.089 Amada System 4V die 12.088 Amada System 4V die 12.088 Amada System 2V Die 88° 12.204 Amada System 2V Die 88° 12.203 Page1 Page2 Page3 Page4 Page5 Page6 Page7 Page8 Page9 Page10 Page11 Page12 Page13 Page14 Page15 Page16